Ritningsteknik
Grundskola
·
Årskurs 8
·
Teknik
·
Kristinebergskolan F-9, Oskarshamn
·
18 december 2023

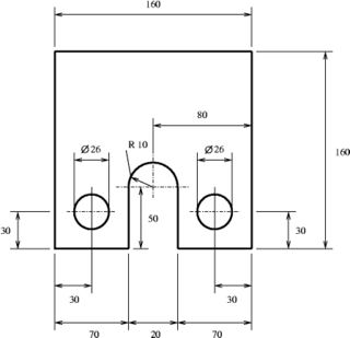
"Rittekniken" är ett arbetsområde som är uppdelat i en teoretisk och en praktisk del. Uppgiftens syfte är att lära och förstå en ritnings uppbyggnad och att praktiskt kunna förstå(läsa”ritningsspråket") och använda i egen tillverkning(doseringsmått för pasta)
Matriser i planeringen
Innehåller inga matriser
Uppgifter
Innehåller inga uppgifter