Elmotorstyrning
Gymnasieskola
·
INSELS0
·
S:t Eriks gymnasium, Stockholm Gymnasieskolor - slutgallrad
·
24 september 2019

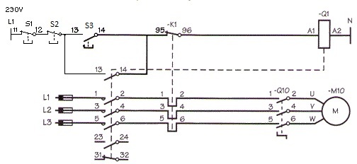
Här lär vi oss följa kretsscheman och koppla in motorer.
Matriser i planeringen
Innehåller inga matriser
Uppgifter
Innehåller inga uppgifter